1
/
of
8
Komatsu PC27R-8 Deluxe hydraulic excavator Operation and Maintenance manual - digital version
Komatsu PC27R-8 Deluxe hydraulic excavator Operation and Maintenance manual - digital version
Regular price
$55.00 AUD
Regular price
Sale price
$55.00 AUD
Unit price
/
per
Tax included.
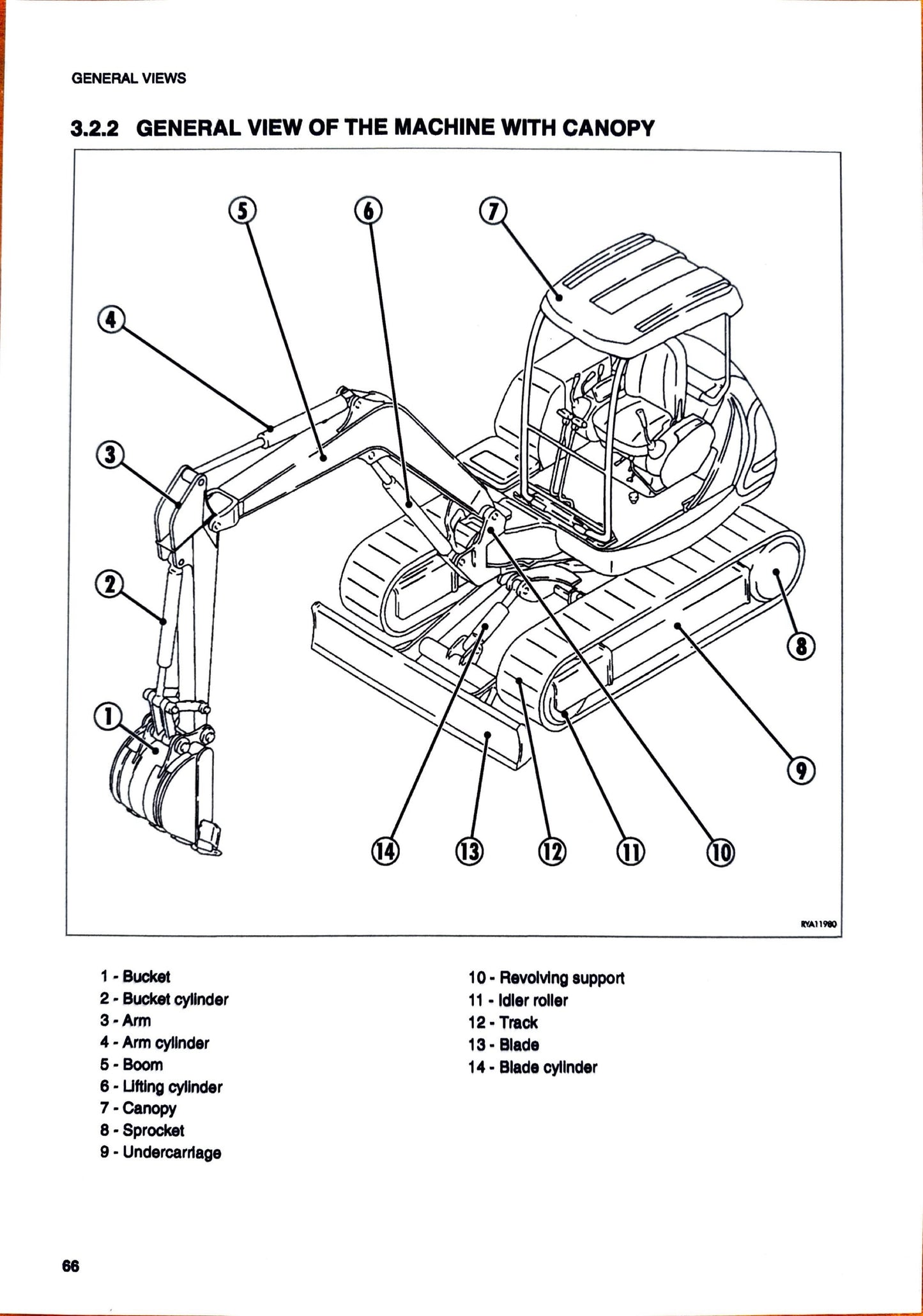
This is a digital version of an Operation and Maintenance manual for PC27R-8 Deluxe hydraulic excavators with serial numbers F31103 and up. The manual will be available to download as a pdf once purchased.
There are over 200 pages and the contents pages can be seen in the product photos.
The Komatsu code for this manual is WEAM003102.
Share







