1
/
of
6
Komatsu PC27MRX-1, PC30MRX-1, PC35MRX-1, PC40MRX-1, PC45MRX-1 Shop Manual SEBM016808- digital version
Komatsu PC27MRX-1, PC30MRX-1, PC35MRX-1, PC40MRX-1, PC45MRX-1 Shop Manual SEBM016808- digital version
Regular price
$55.00 AUD
Regular price
Sale price
$55.00 AUD
Unit price
/
per
Tax included.
This is a digital version of a Shop Manual for PC27MRX-1, PC30MRX-1, PC35MRX-1, PC40MRX-1, PC45MRX-1 machines which you will be able to download as a pdf once purchased.
These are the serial numbers for the machines covered by this manual:
PC27MRX-1 serial number 11574 and up
PC30MRX-1 serial number 10001 and up
PC35MRX-1 serial number 3930 and up
PC40MRX-1 serial number 1001 and up
PC45MRX-1 serial number 1001 and up
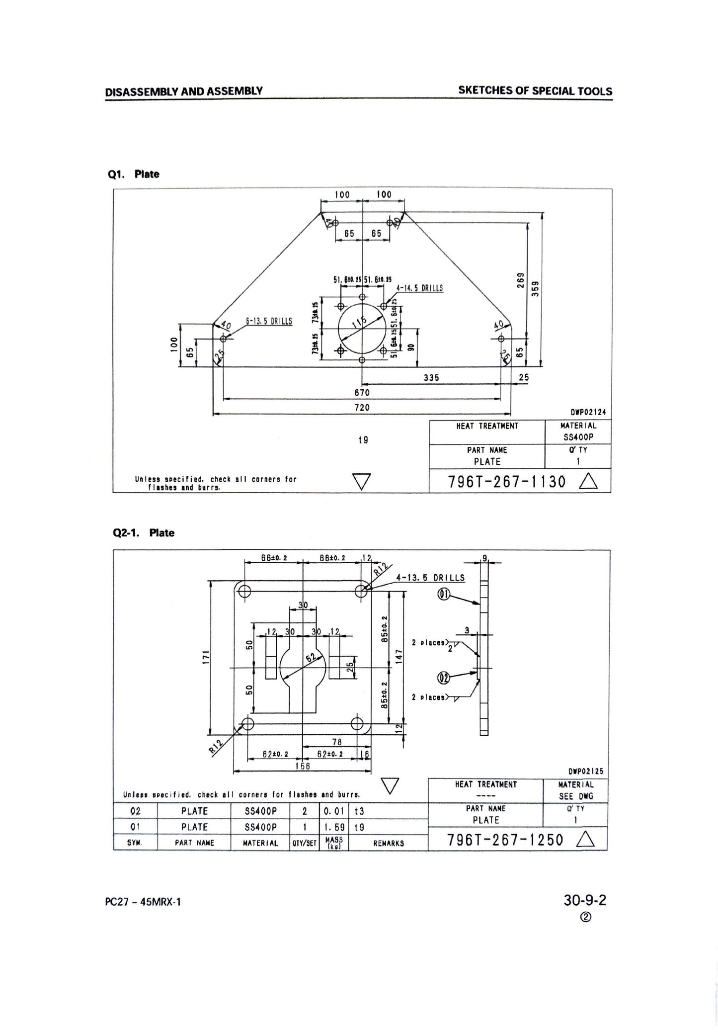
There are 946 pages. The photos here show the contents pages and some other pages to give you an idea of what they look like.
The Komatsu code for this manual is SEBM016808.
Share





