1
/
of
6
Hitachi EX200-2, EX200LC-2 Service Manual - KM-107-E0-3 Digital version
Hitachi EX200-2, EX200LC-2 Service Manual - KM-107-E0-3 Digital version
Regular price
$55.00 AUD
Regular price
Sale price
$55.00 AUD
Unit price
/
per
Tax included.
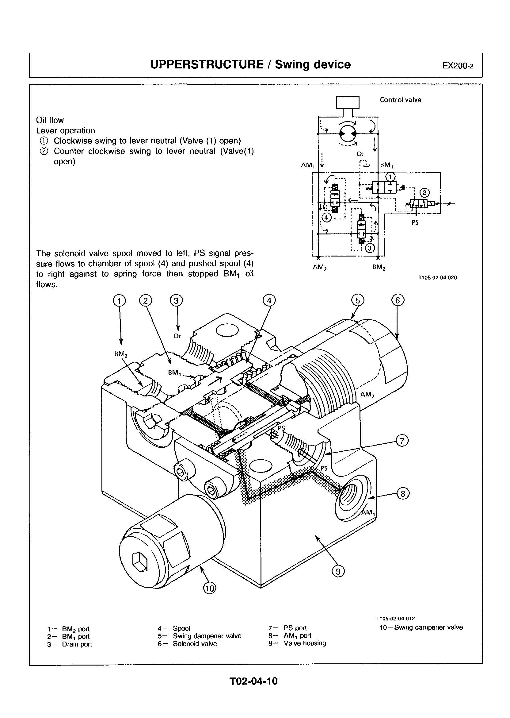
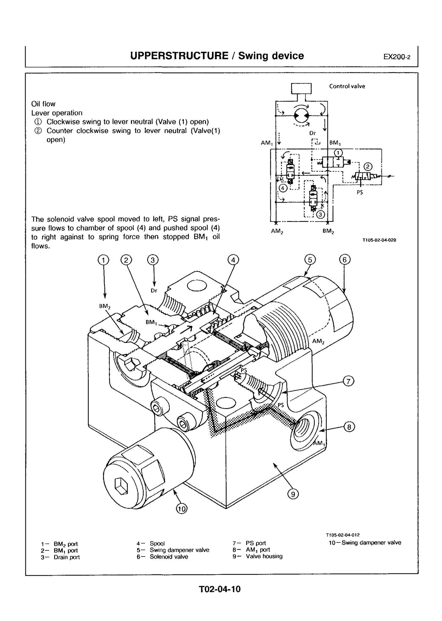
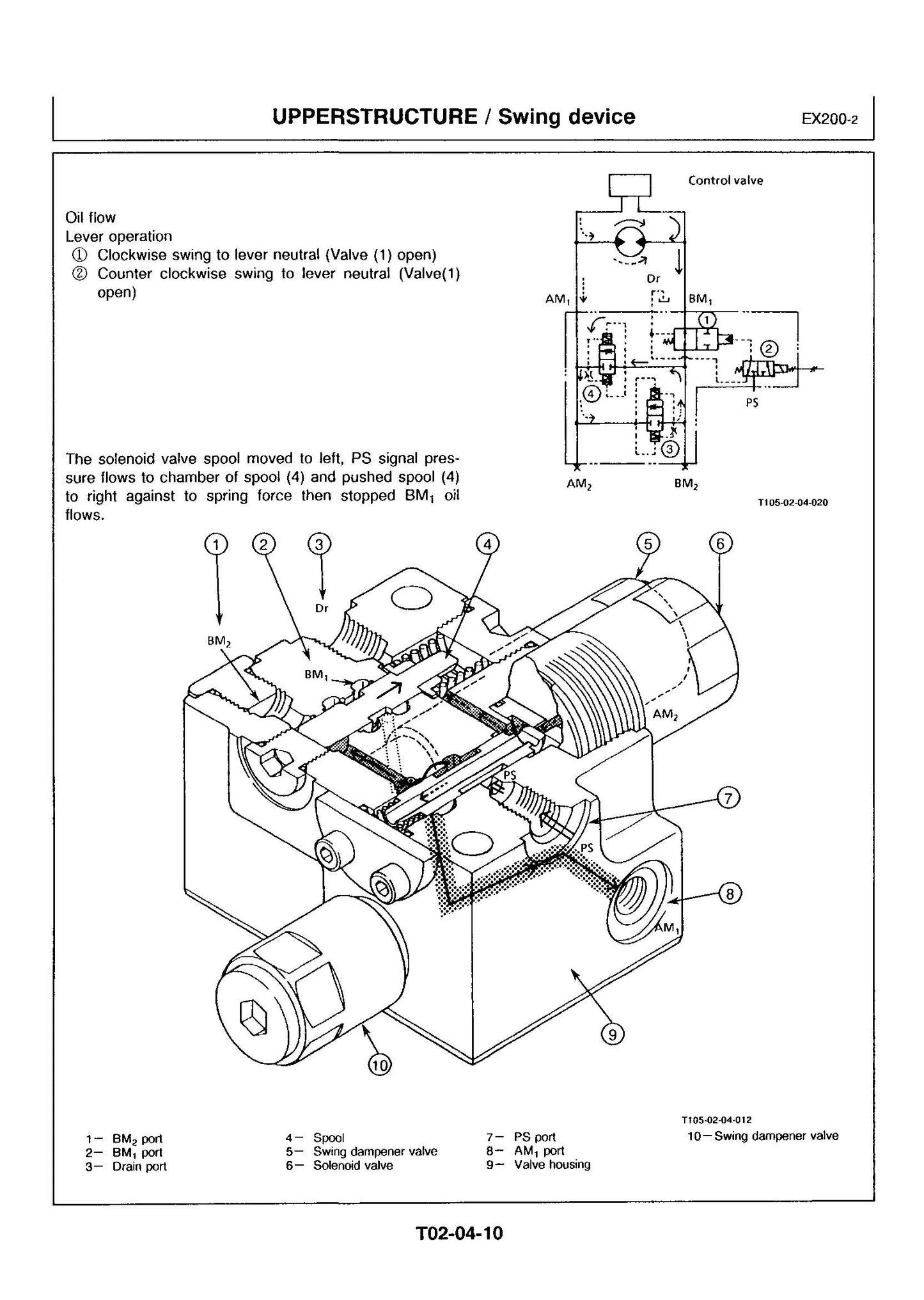
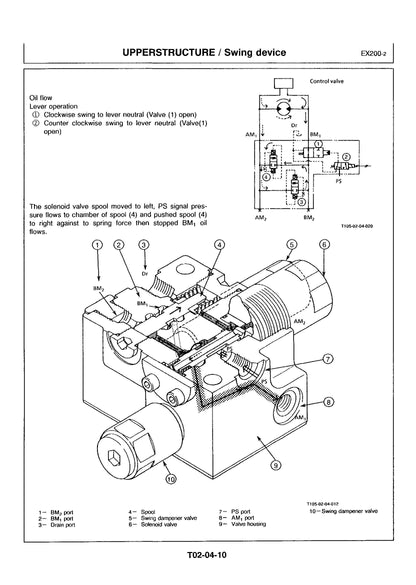
This is a digital version of a Hitachi EX200-2, EX200LC-2 Excavator Service Manual. The pdf will be available for you download after completing the purchase. The contents are shown in the photos on this product page.
The Manual is over 1150 pages and is made up from a Technical Manual and a Workshop Manual. The Hitachi code for the Manual is KM-107-E0-3.
Share





